Tủ an toàn sinh học là một thiết bị không thể thiếu trong các phòng thí nghiệm. Các tiêu chuẩn liên quan phòng thí nghiệm đều yêu cầu cần phải sử dụng loại tủ phù hợp trong môi trường này. Vậy bạn có biết tủ an toàn sinh học là gì không, phân loại, nguyên lý hoạt động và cấu tạo của nó ra sao? Cùng tìm hiểu với Thiết bị phòng sạch VCR ở bài viết này nhé.
MỤC LỤC An toàn sinh học và tủ an toàn sinh học Các cấp độ nguy cơ lây nhiễm an toàn sinh học theo CDC Nguyên lý hoạt động và chức năng của các loại tủ an toàn sinh học |
An toàn sinh học và tủ an toàn sinh học
An toàn sinh học là gì
An toàn sinh học được hiểu là ngăn chặn việc sử dụng sai mục đích, mất mát, trộm cắp hoặc cố ý phóng thích mầm bệnh, chất độc hay bất kỳ vật liệu sinh học nào khác. An toàn sinh học nhằm mục đích bảo vệ sức khỏe cộng đồng và môi trường khỏi bị tiếp xúc với các tác nhân sinh học.
Tủ an toàn sinh học là gì
Tủ an toàn sinh học là tủ thao tác kín trong phòng thí nghiệm, bảo vệ an toàn người sử dụng, mẫu thao tác và môi trường trước các tác nhân lây nhiễm sinh học. Thiết bị này được ứng dụng trong y tế xét nghiệm, y học lâm sàng, sinh học phân tử, nuôi cấy, IVF.

Tủ an toàn sinh học còn được gọi là BSC (Biosafety Cabinet). Mỗi cấp độ an toàn sinh học sẽ cần một loại tủ phù hợp để sử dụng.
Tại sao cần tủ an toàn sinh học
Tủ an toàn sinh học được sử dụng với mục đích chính là để bảo vệ nhân viên và các nhà nghiên cứu trong phòng thí nghiệm cũng như môi trường xung quanh khỏi các mầm bệnh. Vì vậy tất cả các khí thải đều được lọc qua bộ lọc HEPA khi thoát ra BSC, từ đó loại bỏ các vi khuẩn và vi rút có hại. Nó không giống với các thiết bị như Clean Bench hay Laminar Flow Hood, thổi khí thải chưa được lọc về phía người sử dụng và sẽ không an toàn khi làm việc với các tác nhân gây bệnh.
Hầu hết các BSC đều không an toàn để sử dụng làm tủ hút. Tương tự như vậy, tủ hút cũng không cung cấp khả năng bảo vệ môi trường mà quá trình lọc HEPA trong BSC sẽ cung cấp. Tuy nhiên, hầu hết các cấp BSC đều có mục đích thứ yếu là duy trì sự vô trùng của nguyên liệu bên trong ("sản phẩm").
Tiêu chuẩn tủ an toàn sinh học
Tiêu chuẩn NSF /ANSI 49
Tiêu chuẩn NSF /ANSI 49 của Mỹ (The National Sanitation Foundation – NSF) về tủ an toàn sinh học phiên bản mới nhất là “NSF / ANSI 49 – 2008, Biosafety Cabinetry: Design, Construction, Performance, and Field Certification” (NSF / ANSI 49 – 2008, Tủ an toàn sinh học: Thiết kế, Xây dựng, Hiệu suất và Chứng nhận thực địa.)
Các thử nghiệm được tiến hành trên các tủ được các nhà sản xuất gửi đến NSF. Các sản phẩm đáp ứng các tiêu chuẩn này được chứng nhận bởi NSF. Các thử nghiệm trên tủ được lặp lại cứ 5 năm một lần.
Tủ cũng có thể được yêu cầu phải vượt qua chứng nhận thực địa của một tổ chức độc lập. NSF đã thiết lập các tiêu chuẩn cho các thử nghiệm thực địa, các phương pháp, quy trình và tiêu chí đánh giá để xác định chứng nhận thực địa của tất cả các tủ an toàn sinh học loại II.
EN 12469
EN 12469: 2000 Biotechnology - Tiêu chí hoạt động cho tủ an toàn vi sinh là tiêu chuẩn hài hòa mới của Châu u về tủ an toàn vi sinh, được xuất bản bởi CEN, Ủy ban Tiêu chuẩn Châu u. Tiêu chuẩn này phân loại BSC thành loại I, loại II và loại III
Các cấp độ nguy cơ lây nhiễm an toàn sinh học theo CDC
Theo CDC có 4 cấp độ (nhóm) nguy cơ an toàn sinh học, (theo tiếng Anh là BioSafety Level – BSL). Trong mỗi nhóm sẽ có các yêu cầu cụ thể được áp dụng về các vấn đề như: Tủ an toàn sinh học, các bước thực hành trong phòng thí nghiệm và thiết kế phòng thí nghiệm
Bốn nhóm nguy cơ sinh học từ BSL-1 đến BSL-4 gồm:

Các cấp nguy cơ sinh học BSL theo CDC
Nhóm nguy cơ 1 (BSL-1):
Là nhóm chưa hoặc ít có nguy cơ lây nhiễm cho cá thể và cộng đồng bao gồm các loại vi sinh vật chưa phát hiện thấy khả năng gây bệnh cho người. Các vi sinh vật thường không có khả năng gây bệnh cho người hoặc động vật.
Ví dụ: vi khuẩn Bacillus subtilis, Naegleria gruberi
Nhóm nguy cơ 2 (BSL-2):
Là nhóm có nguy cơ lây nhiễm cho cá thể ở mức độ trung bình nhưng nguy cơ cho cộng đồng ở mức độ thấp bao gồm các loại vi sinh vật có khả năng gây bệnh nhưng ít gây bệnh nặng cho người, có khả năng lây truyền sang người và có biện pháp phòng, chống lây nhiễm, điều trị hiệu quả trong trường hợp mắc bệnh.
Ví dụ: vi rút Viêm gan B, cúm A/H1N1, khuẩn tả…
Nhóm nguy cơ 3 (BSL-3):
Là nhóm có nguy cơ lây nhiễm cho các thể cao nhưng nguy cơ cho cộng đồng ở mức độ trung bình bao gồm các loại vi sinh vật có khả năng gây bệnh nặng cho người, có khả năng lây truyền sang người và có biện pháp phòng, chống lây nhiễm, điều trị hiệu quả trong trường hợp mắc bệnh.
Ví dụ: vi rút cúm A/H5N1, SARS, vi khuẩn than…
Nhóm nguy cơ 4 (BSL-4):
Là nhóm có nguy cơ lây nhiễm cho cá thể và cộng đồng ở mức độ cao bao gồm các loại vi sinh vật có khả năng gây bệnh nặng cho người, có khả năng lây truyền sang người và chưa có biện pháp phòng, chống lây nhiễm, điều trị hiệu quả trong trường hợp mắc bệnh.
Ví dụ: virus Ebola.
Phân loại tủ an toàn sinh học
Các loại tủ an toàn sinh học sẽ phục vụ cho từng cấp độ an toàn sinh học phù hợp. Bên dưới là phân loại các tủ an toàn sinh học và so sánh tiêu chuẩn giữa các tủ BSC dựa theo tiêu chuẩn kỹ thuật NSF 49 của Mỹ.
| Tủ an toàn sinh học | Tốc độ INFLOW (khí tại cửa làm việc - fpm) | Tỷ lệ khí xả (%) | Tỷ lệ khí tuần hoàn (%) | Hệ thống thải khí | Tác nhân phóng xạ và hơi độc | Bảo vệ mẫu | Mức an toàn sinh học (BSL) |
| Cấp 1 | 75 fpm (0.38 m/giây) | 100 | 0 | Trong phòng hoặc ống cứng ra bên ngoài | Lượng nhỏ nếu dùng ống thải ngoài cứng | Không | 1,2,3 |
| Cấp 2 A1 | 75 fpm (0.38 m/giây) | 30 | 70 | Thải trong phòng | Không | Có | 1,2,3 |
| Cấp 2 A2 | 100 fpm (0.5 m/ giây) | 30 | 70 | Thải trong phòng | Không | Có | 1,2,3 |
| Cấp 2 B1 | 100 fpm (0.5 m/ giây) | 70 | 30 | Ống cứng ra bên ngoài phòng, plena áp suất âm | làm việc lượng nhỏ | Có | 1,2,3 |
| Cấp 2B2 | 100 fpm (0.5 m/ giây) | 100 | 0 | Ống cứng ra bên ngoài phòng | làm việc lượng nhỏ | Có | 1,2,3 |
| Cấp 3 | Không áp dụng | 0 | 100 | Ống cứng ra bên ngoài phòng | làm việc lượng nhỏ | Có | 1,2,3,4 |
Nguyên lý hoạt động và chức năng của các loại tủ an toàn sinh học
Mỗi loại tủ an toàn sinh học được tạo ra sẽ có chức năng và nguyên lý hoạt động khác nhau để phù hợp cho môi trường sử dụng.
Tủ an toàn sinh học cấp 1 (Class I):
- Loại I là tủ an toàn sinh học cơ bản nhất giúp bảo vệ môi trường và nhân viên vận hành trong phòng thí nghiệm.
- BSC Class 1 không bảo vệ sản phẩm vì không khí trong phòng chưa được khử trùng sẽ được hút qua bề mặt làm việc.
- Tủ an toàn sinh học cấp 1 thường được sử dụng để bao bọc thiết bị, cụ thể như máy ly tâm hoặc cho các quy trình như nuôi cấy sục khí có khả năng tạo ra sol khí.
- BSC thuộc loại này được đặt ống dẫn (kết nối với hệ thống thoát khí của tòa nhà) hoặc không được nối ống (tuần hoàn khí thải đã lọc trở lại phòng thí nghiệm).
- Trong BSC Class I, không khí trong phòng được hút vào qua lỗ mở cũng cho phép cánh tay của người vận hành xâm nhập vào bên trong khi làm việc. Sau đó không khí bên trong tủ hấp thụ các hạt sol khí có thể đã được tạo ra và di chuyển nó ra khỏi người vận hành về phía bộ lọc HEPA. Không khí di chuyển ra khỏi tủ được lọc sạch qua bộ lọc HEPA trước khi thải ra môi trường. Bằng cách này, tủ sẽ bảo vệ người vận hành và môi trường khỏi sol khí nhưng không bảo vệ mẫu.

Tủ an toàn sinh học cấp 2 (Class II):
Tủ BSC-Class II cung cấp cả hai loại bảo vệ (đối với mẫu và môi trường) vì không khí trong phòng cũng được lọc HEPA.
Nguyên lý hoạt động của tủ an toàn sinh học cấp 2 sẽ bao gồm một quạt gắn trên nóc tủ có tác dụng hút và tạo không khí vô trùng bao phủ khu vực làm việc nơi xử lý các sản phẩm sinh học. Sau đó, không khí di chuyển bên dưới khu vực làm việc và ngược lên nóc tủ trước khi đi qua các bộ lọc HEPA. Khí thải di chuyển ra khỏi cơ sở bao gồm không khí được hút vào mặt trước của tủ bên dưới bề mặt làm việc.
Không khí được hút vào hoạt động như một rào cản chống lại không khí có khả năng bị ô nhiễm quay trở lại người vận hành.
BSC cấp II được chia thành năm loại tùy thuộc vào hệ thống xả và cơ chế làm việc (tuần hoàn khí thải); Loại A1, Loại A2, Loại B1, Loại B2 và Loại C1.
a. Tủ an toàn sinh học cấp 2 A1
- Các tủ loại A1 có vận tốc dòng vào tối thiểu là 75ft / phút, nơi ô nhiễm được phân chia ngay phía trên khu vực làm việc và trộn với không khí vào.
- Không khí hỗn hợp sau đó được hút qua một mạng lưới ống dẫn để nó đi đến phía sau của tủ.
- Sau đó, không khí có thể được tuần hoàn lại khi đi qua bộ lọc HEPA hoặc thoát ra khỏi tủ, cũng qua bộ lọc HEPA.
- Loại tủ này không được sử dụng rộng rãi vì không đảm bảo an toàn khi làm việc với các chất hóa học độc hại.

b. Tủ an toàn sinh học cấp 2 A2
- Các tủ loại A2 có vận tốc dòng vào tối thiểu là 100 ft / phút.
- Ở BSC cấp 2, không khí BSC Kiểu A2 đi vào buồng qua lỗ thông gió phía trước, giúp bảo vệ người vận hành.
- Không khí vào trộn với không khí đi xuống (từ trên cùng của tủ) và đi vào lưới hút gió phía trước sau đó đi qua trạm làm việc nơi không khí tách ra.
- Khoảng 60% đến 70% không khí bị ô nhiễm được tái chế và đẩy trở lại máy trạm trong buồng thông qua bộ lọc HEPA, trong khi 30% đến 40% còn lại được thải ra ngoài qua bộ lọc HEPA xả.
- Tuy nhiên, nếu sử dụng các hóa chất độc hại, dễ bay hơi trong tủ, cùng với công việc vi sinh, khí thải phải được thải vào khí quyển qua hệ thống ống dẫn trực tiếp.
- Do khả năng phát tán hóa chất độc hại ra môi trường, tủ BSC cấp 2 A2 cũng không được sử dụng rộng rãi.
C. Tủ an toàn sinh học cấp 2 B1
- Tủ loại B khác với tủ loại A vì chúng sử dụng luồng không khí một chiều để kiểm soát luồng khí độc hại.
- Tủ loại B1 phân chia luồng không khí để không khí bị ô nhiễm được hướng tới hệ thống thoát khí trong khi không khí giữa người vận hành và trạm làm việc hòa trộn với luồng vào và được tuần hoàn lại.
- Không khí thải phân tán ra bên ngoài phải được đưa qua bộ lọc HEPA để bảo vệ môi trường.
- Các tủ này có một hệ thống ống dẫn chuyên dụng cho phép thoát không khí bị ô nhiễm ra khỏi cơ sở.
- Trong trường hợp tủ an toàn sinh học cấp 2 B1, 40% không khí được tuần hoàn, trong khi 60% còn lại được thải ra khỏi cơ sở.
d. Tủ an toàn sinh học cấp 2 B2
- Đối với BSC kiểu B2, giống như trong tủ kiểu A, không khí được hút vào từ cửa trước tạo ra một rào cản không khí bảo vệ người vận hành.
- Không khí cũng được hút vào từ một khe hở ở trên cùng của tủ để cung cấp luồng không khí đi xuống trong tủ.
- Sau đó, không khí đi qua bộ lọc HEPA, tại đây 100% không khí được thải ra ngoài qua hệ thống ống dẫn chuyên dụng với quạt hút. Do đó, không khí di chuyển ra khỏi cơ sở được lọc sạch trước khi thải vào bầu khí quyển.
- Ưu điểm của hệ thống này là loại bỏ hơi độc sinh ra trong tủ mà không cần tuần hoàn trong BSC.
- Tất cả luồng không khí bị ô nhiễm (100%) trong tủ an toàn sinh học cấp 2 B2 được thải ra bên ngoài, có nghĩa là không khí hút vào tủ được thải 100% vào khí quyển.
- Do đó, không có không khí nào được hút vào BSC Class 2 kiểu B2 từ luồng vào hoặc luồng xuống được tái chế trong hệ thống luồng không khí.
- Bởi vì không có không khí nào được tuần hoàn lại, những chiếc tủ này là loại tủ tốt nhất được sử dụng cho các công việc liên quan đến việc giải phóng hơi hóa chất.Tủ an toàn sinh học là gì – 5 Kiến thức về BSC bạn cần biết
- Tuy nhiên, tủ loại B2 có mức giá khá cao và việc sử dụng chúng chỉ giới hạn trong các phòng thí nghiệm độc chất học, nơi bắt buộc phải bảo vệ chống lại các hóa chất nguy hiểm.
e. Tủ an toàn sinh học cấp 2 C1
- Tủ loại C1 tương tự như tủ loại B về cơ chế làm việc của chúng, nhưng chúng được thiết kế để giảm chi phí vận hành, tăng thêm tính linh hoạt cho các phòng thí nghiệm.
- Các tủ này hoạt động bằng cách sử dụng hệ thống luồng không khí một lần trong đó các tủ di chuyển không khí bằng cách trộn nó với luồng không khí đi xuống được tách thành các cột để tuần hoàn.
- Không khí phía trên khu vực làm việc được hút bằng quạt thứ hai để di chuyển không khí bị ô nhiễm ra ngoài qua hệ thống xả có bộ lọc HEPA.
- Bằng cách này, tủ cung cấp sự bảo vệ đối với môi trường, người vận hành và trạm làm việc hoặc vật liệu sinh học.
- Tủ loại C khác với tủ loại A vì chúng sử dụng cơ chế luồng không khí một chiều, nơi không khí không được lưu thông.
- Những tủ này khác với tủ Loại B ở chỗ chúng không yêu cầu hệ thống xả ống dẫn chuyên dụng, có thể hoạt động trong thời gian dài để tăng khả năng bảo vệ người vận hành trong trường hợp hỏng ống xả và thậm chí có thể chạy mà không cần ống xả.
Tủ an toàn sinh học cấp 3 (Class III)

- Tủ cấp III là tủ có kết cấu kín, kín hoàn toàn nhưng được thông gió, trong đó tất cả không khí đi vào hoặc đi ra đều phải đi qua bộ lọc HEPA.
- Tủ an toàn sinh học cấp 3 được cung cấp găng tay cao su gắn vào hệ thống để sử dụng trong quá trình vận hành tủ.
- Tủ thậm chí còn có một hoặc 2 Pass Box tạo điều kiện thuận lợi cho việc khử trùng nguyên liệu trước khi chúng rời khỏi hộp đựng găng tay.
- Mặc dù găng tay hạn chế chuyển động tay của người vận hành bên trong tủ nhưng nó ngăn cản sự tiếp xúc trực tiếp giữa người vận hành và mẫu.
- Khí thải được xử lý bằng bộ lọc HEPA kép hoặc bộ lọc HEPA kết hợp với quá trình đốt.
- Tủ BSC Cấp 3 có thể được sử dụng cho cả bốn cấp độ An toàn sinh học (1, 2, 3 và 4). Nhưng đây là những điều quan trọng nhất đối với việc sử dụng vật liệu sinh học trong An toàn sinh học cấp độ 4.
- Các tủ này chủ yếu được chế tạo riêng cho các phòng thí nghiệm cụ thể với thiết bị thí nghiệm được tích hợp bên trong buồng.
- Tất cả các đặc điểm cấu trúc và thiết kế này giúp bảo vệ tối đa người vận hành, môi trường và mẫu chống lại các sinh vật gây bệnh nhóm 4 có nguy cơ cao.
Cấu tạo của tủ an toàn sinh học
Cấu tạo tủ an toàn sinh học cấp 1 – BSC Class 1

Cấu tạo tủ an toàn sinh học cấp 2 – BSC Class 2
BSC Cấp 2, kiểu A1 (trước đây là loại A)

Cấu tạo tủ cấp 2 kiểu A1:
- (A) Cửa trước;
- (B) Khung kính;
- (C) Màng HEPA cho khí xả;
- (D) Màng HEPA cấp;
- (E) Buồng khí chung;
- (F) Quạt gió.
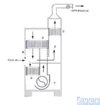
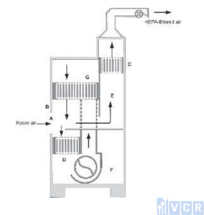
BSC Class II, kiểu A2 (trước đây gọi là B3)

- (A) Cửa trước;
- (B) Khung cửa;
- (C) Màng lọc HEPA cho khí xả;
- (D) Màng lọc HEPA cho khí cấp;
- (E) Buồng khí chung áp lực dương;
- (F) Buồng khí chung áp lực âm.
Tủ cấp 2 loại A2 không hẳn tương đương với tủ B3 trước đây trừ khi nó được kết nối với hệ thống xả của phòng thí nghiệm
Tủ an toàn sinh học cấp 2, loại B1

Thiết kế của tủ BSC cấp 2 kiểu B1:
- (A) Cửa trước;
- (B) Khung kính;
- (C) Màng lọc HEPA cho khí xả;
- (D) Màng lọc HEPA cho khí cấp;
- (E) Đường khí xả áp lực âm;
- (F) Quạt;
- (G) Màng lọc HEPA bổ sung cho khí cấp.
Chú ý: việc xả của tủ cần được kết nối ống cứng với hệ thống xả của tòa nhà.
Tủ an toàn cấp 2, kiểu B2 (“xả toàn bộ”)

Thiết kế tủ BSC class II, kiểu B2:
- (A) cửa trước;
- (B) khung cửa;
- (C) màng lọc HEPA cho khí xả;
- (D) Màng lọc HEPA cho khí cấp;
- (E) buồng khí xả áp lực âm.
Chú ý: màng lọc carbon trong hệ thống xả không được thể hiện. Tủ cần kết nối ống vứng với hệ thống xả của tòa nhà.
Cấu tạo tủ an toàn sinh học cấp 3 – BSC Class 3

- (A) Lỗ găng tay với một vòng O-ring để gắn phần cánh dài của găng tay với tủ;
- (B) Kính;
- (C) Màng lọc HEPA cho khí xả;
- (D) Màng lọc HEPA khí cấp;
- (E) Pass Box – Hộp trung chuyển mẫu (Với một số loại tủ có 2 Pass Box 2 bên)
Trên đây là những kiến thức cần biết về tủ an toàn sinh học. Mong rằng bài viết sẽ giúp bạn hiểu hơn về thiết bị này và lựa chọn được tủ BSC phù hợp cho mục đích sử dụng của mình.
#thietbiphongsachvcr
#viethamcleanroom #VCR #thietbiphongsach
#nhacungcapthietbiphongsach #thietbiphongsachlagi #thietbiphongsachvcr
0 Nhận xét