Tủ an toàn sinh học là một thiết bị không thể thiếu trong các phòng thí nghiệm. Như chúng ta đã biết, BSC có 3 loại mỗi loại đều phù hợp với cấp an toàn sinh học riêng và trong đó Tủ an toàn sinh học cấp 2 là một trong những loại được sử dụng nhiều nhất. Do vậy ở bài viết này, hãy cùng Thiết bị phòng sạch VCR tìm hiểu về thiết bị này thông qua 6 kiến thức không thể thiếu sau đây nhé.
Mục Lục Tủ an toàn sinh học cấp 2 và BSL cấp 2 Các loại tủ an toàn sinh học cấp 2 Cấu tạo của tủ an toàn sinh học cấp 2 Thông số kỹ thuật của BSC cấp 2 |
Tủ an toàn sinh học cấp 2 và BSL cấp 2
An toàn sinh học cấp 2 – BSL Class 2
An toàn sinh học cấp 2 là nhóm có nguy cơ lây nhiễm cho cá thế ở mức độ trung bình nhưng nguy cơ cho cộng đồng ở mức độ thấp bao gồm các loại vi sinh vật có khả năng gây bệnh nhưng ít gây bệnh nặng cho người, có khả năng lây truyền sang người và có biện pháp phòng, chống lây nhiễm, điều trị hiệu quả trong trường hợp mắc bệnh.
Xem thêm: An toàn sinh học là gì
Tủ BSC Cấp 2
Tủ an toàn sinh học cấp 2 là loại tủ được tạo ra để thực hiện các công việc phù hợp với mức độ an toàn sinh học cấp 2.
BSC Cấp 2 là tủ có khả năng bảo vệ người sử dụng và bảo vệ mẫu vật thí nghiệm, tất cả không khí đều đi qua màng lọc HEPA. BSC Class II có 4 loại là loại A1, A2, B1 và B2, mỗi loại đều được thiết kế dựa trên tiêu chuẩn quốc tế NSF.

Tủ an toàn sinh học cấp 2 là loại tủ phổ biến nhất trong các phòng thí nghiệm, trong đó thì loại tủ BSC Class II Type A2 chiếm khoảng 95% tổng số tủ an toàn sinh học được sử dụng.
Các loại tủ an toàn sinh học cấp 2
Như đã nói, BSC Class 2 có 4 loại đó là BSC Class 2 Type A1, A2, B1, B2. Mỗi loại sẽ có kết cấu cũng như ứng dụng khác nhau để phù hợp cho từng ứng dụng.
Chúng ta có thể thấy có hai loại khác nhau (Loại A và Loại B) dựa trên cấu tạo và cấu hình của chúng. Chúng được phân loại theo tỷ lệ phần trăm của không khí thải ra ngoài so với phần không khí được tuần hoàn từ bầu không khí chung. Ngoài ra, các tủ có các phương tiện thoát khí khác nhau, trong đó một số có thể thải không khí trực tiếp trở lại phòng thí nghiệm, trong khi các tủ khác có thể thải không khí qua hệ thống ống dẫn đến hệ thống thông gió bên ngoài.
Trong đó tủ loại A thích hợp cho nghiên cứu vi sinh vật mà không có bất kỳ hóa chất dễ bay hơi hoặc độc hại nào vì không khí được tuần hoàn trong tủ. Loại tủ này được phân loại thêm thành các loại A1 và A2.
Tủ an toàn sinh học cấp 2 A1 – BSC Class 2 Type A1
- Loại A1 phải duy trì vận tốc dòng vào trung bình tối thiểu là 75 fpm
- Khí được đẩy qua lọc HEPA chảy thẳng xuống.
- 70% không khí được tuần hoàn trong tủ.
- 30% không khí được lọc qua HEPA sau đó thải vào phòng thí nghiệm hoặc ra môi trường bên ngoài.
- Không khí đã được lọc qua bộ lọc HEPA có thể được thải ngược trở lại phòng thí nghiệm hoặc ra môi trường bên ngoài.
- Ngoài ra, toàn bộ không khí trong tủ có áp suất dương.

BSC Class II Type A1 không được sử dụng một cách rộng rãi vì nó không thể đảm bảo an toàn khi làm việc với các loại hóa chất độc hại.
Tủ an toàn sinh học cấp 2 A2 – BSC Class 2 Type A2
- Loại A2 phải duy trì vận tốc dòng vào trung bình tối thiểu là 100 fpm
- Khí được đẩy qua lọc HEPA chảy thẳng xuống.
- 70% không khí được tuần hoàn trong tủ.
- 30% không khí đã lọc HEPA được thải ngược trở lại phòng thí nghiệm hoặc ra môi trường bên ngoài bằng một kết nối ống mềm.
- Ở BSC cấp 2, không khí BSC Kiểu A2 đi vào buồng qua lỗ thông gió phía trước, giúp bảo vệ người vận hành.

Tủ an toàn sinh học cấp 2 B1 – BSC Class 2 Type B1
- Loại B1 phải duy trì vận tốc dòng vào trung bình tối thiểu là 100 fpm
- Khí được đẩy qua lọc HEPA chảy thẳng xuống.
- 30% không khí được tuần hoàn trong tủ.
- 70% không khí đã lọc HEPA được thải ra hệ thống thông gió bên ngoài.
- Các tủ BSC Cấp 2 loại B1 có một hệ thống ống dẫn chuyên dụng cho phép thoát không khí bị ô nhiễm ra khỏi cơ sở.
- Có thể có các ống dẫn và khoang chứa bị ô nhiễm sinh học dưới áp suất âm.

Tủ an toàn sinh học cấp 2 B2 – BSC Class 2 Type B2
- Loại B2 phải duy trì vận tốc dòng vào trung bình tối thiểu là 100 fpm
- Khí được đẩy qua lọc HEPA chảy thẳng xuống.
- Không khí nào được tuần hoàn trong tủ hoặc khu vực làm việc.
- 100% không khí đã lọc HEPA sẽ được thải ra khỏi tủ.
- Các tủ BSC Cấp 2 loại B2 cũng có một hệ thống ống dẫn chuyên dụng cho phép thoát không khí bị ô nhiễm ra khỏi các phòng thí nghiệm hay cơ sở làm việc
- Tất cả các ống dẫn bị ô nhiễm đều ở dưới áp suất âm hoặc được bao quanh bởi các ống hoặc khoảng thông tầng áp suất âm được xả trực tiếp.
- Bởi vì không có không khí nào được tuần hoàn lại, những chiếc tủ này là loại tủ tốt nhất được sử dụng cho các công việc liên quan đến việc giải phóng hơi hóa chất.

BSC Class II Type B2 có mức giá khá cao và việc sử dụng chúng chỉ giới hạn trong các phòng thí nghiệm độc chất học, nơi bắt buộc phải bảo vệ chống lại các hóa chất nguy hiểm.
Tủ an toàn sinh học cấp 2 C1
Tủ BSC Class 2 Type C1 tương tự như tủ loại B về cơ chế làm việc, nhưng chúng được thiết kế để giảm chi phí vận hành, tăng thêm tính linh hoạt cho các phòng thí nghiệm.
- Sử dụng hệ thống luồng không khí một lần trong đó các tủ di chuyển không khí bằng cách trộn nó với luồng không khí đi xuống được tách thành các cột để tuần hoàn.
- Không khí phía trên khu vực làm việc được hút bằng quạt thứ hai để di chuyển không khí bị ô nhiễm ra ngoài hệ thống xả có bộ lọc HEPA.
- Tủ loại C khác với tủ loại A vì chúng sử dụng cơ chế luồng không khí một chiều, nơi không khí không được lưu thông.
- BSC Class II Type C1 khác với tủ Loại B ở chỗ chúng không yêu cầu hệ thống xả ống dẫn chuyên dụng, có thể hoạt động trong thời gian dài để tăng khả năng bảo vệ người vận hành trong trường hợp hỏng ống xả và thậm chí có thể chạy mà không cần ống xả.
Xem thêm: Phòng xét nghiệm an toàn sinh học cấp 2
Cấu tạo của tủ an toàn sinh học cấp 2
Cấu tạo BSC Cấp 2 A1
Cấu tạo của Tủ an toàn sinh học cấp 2 A1 cần phải phù hợp để tuần hoàn 70% không khí trong tủ, cấu tạo của nó bao gồm:

- (A) Cửa trước
- (B) Khung kính
- (C) Màng HEPA cho khí xả
- (D) Màng HEPA cấp
- (E) Buồng khí chung
- (F) Quạt gió.
Cấu tạo BSC Cấp 2 A2
BSC Class 2 Type A2 có cấu tạo như sau:

- (A) Cửa trước
- (B) Khung cửa
- (C) Màng lọc HEPA cho khí xả
- (D) Màng lọc HEPA cho khí cấp
- (E) Buồng khí chung áp lực dương
- (F) Buồng khí chung áp lực âm.
Tủ cấp 2 loại A2 không hẳn tương đương với tủ B3 trước đây trừ khi nó được kết nối với hệ thống xả của phòng thí nghiệm
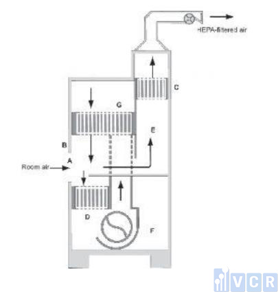
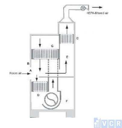
Cấu tạo BSC Cấp 2 B1
BSC Class 2 Type B1 là loại tủ thải tới 60-70% không khí ra môi trường bên ngoài, chỉ giữ lại 30-40% tuần hoàn trong tủ. Do đó cấu tạo của nó như sau:

- (A) Cửa trước
- (B) Khung kính
- (C) Màng lọc HEPA cho khí xả
- (D) Màng lọc HEPA cho khí cấp
- (E) Đường khí xả áp lực âm
- (F) Quạt
- (G) Màng lọc HEPA bổ sung cho khí cấp.
Chú ý: việc xả của tủ cần được kết nối ống cứng với hệ thống xả của tòa nhà.
Cấu tạo BSC Cấp 2 B2
BSC Class II Type B2 cần thải tới 100% không khí ra môi trường bên ngoài vì vậy kết cấu của nó cần phù hợp với nguyên lý này.

- (A) Cửa trước
- (B) Khung cửa
- (C) Màng lọc HEPA cho khí xả
- (D) Màng lọc HEPA cho khí cấp
- (E) Buồng khí xả áp lực âm.
Chú ý: màng lọc carbon trong hệ thống xả không được thể hiện. Tủ cần kết nối ống ứng với hệ thống xả của tòa nhà.
Thông số kỹ thuật của BSC cấp 2
- Tủ an toàn sinh học cấp 2 kiểu A2 thường có kích thước rộng 0.9m, 1.2m và 1.8m.
- Bộ màng lọc tủ an toàn sinh học cấp 2:
- Màng lọc HEPA - Class 100,
- Hiệu suất lọc lên đến 99,99% với các hạt 0.3 µm
- Bàn thao tác có lắp thêm vòi khí hay gas,
- Lắp đặt ổ điện bên trong để thao tác cùng các thiết bị khác.
- Cửa trượt bằng kính cường lực,
- Vật liệu bên trong: Thép không rỉ 304
- Vật liệu bên ngoài: Thép sơn phủ
- Mặt bàn thao tác: Thép không rỉ 304
- Tùy chọn đèn UV diệt khuẩn
- Đèn Huỳnh quang
- Cài đặt thời gian: trong khoảng 0 đến 99 giờ 59 phút
- Cửa bằng kính cường lực cơ cấu đối trọng
- Nguồn: 1 pha 220V/60Hz
- Chân đế: bánh xe có điều chỉnh độ cân bằng
- Chức năng an toàn
- Bảo vệ quá dòng.
- Tự động tắt đèn UV khi mở cửa kính

Ngoài ra BSC Cấp 2 có thể tích hợp các chức năng như:
- Điều khiển đóng mở tự động bằng nút bấm.
- Cảnh báo cửa mở quá cao
- Cảnh báo tốc độ dòng khí thấp
- Thông báo cần thay thế bộ lọc.
Nguyên lý hoạt động, vận hành tủ an toàn sinh học cấp 2
Tủ an toàn sinh học vận hành theo nguyên tắc tạo một màng khí bao bọc lấy mẫu thao tác nhờ một quạt hút phía trên tủ. Hệ thống khí này sẽ rút xuống dưới bề mặt thao tác rồi đi lên trên tủ qua màng lọc HEPA. Lớp khí phía trước tủ cũng sẽ đi xuống phía dưới bề mặt thao tác, đóng vai trò bảo vệ người vận hành trong quá trình làm việc.
Tốc độ dòng khí khi làm việc
- BSC Cấp 2 Type A1: tốc độ 75 fpm. (0.38 m/ giây)
- BSC Cấp 2 Type A2, B1 và B2: 100 fpm.(0.5 m/ giây)
Nguyên lý làm việc của hệ thống khí
- Mỗi loại tủ sẽ có tỉ lệ tuần hoàn và xả khác nhau để phù hợp từng ứng dụng. Nguyên lý này ảnh hưởng rất lớn đến hoạt động của từng loại tủ.
- Tủ an toàn sinh học Cấp 2 A1 và A2: Không khí sẽ được thải trong phòng, tỉ lệ tuần hoàn là 70% và tỉ lệ xả là 30%.
- Đối với tủ an toàn sinh học cấp 2 loại B sẽ có các ống cứng đem khí xả ra hẳn bên ngoài phòng và plena áp suất âm. Trong đó với tủ B1 sẽ tuần hoàn 30% không khí và thải 70% còn lại. Còn tủ B2 sẽ không tuần hoàn mà thải 100% ra ngoài theo ống cứng.

Nguyên lý hoạt động của dòng khí trong tủ an toàn sinh học cấp 2
- Khí ở trong phòng được hút vào tủ BSC Cấp 2 tại các lỗ nhỏ ở phía trước khu vực thao tác tại cửa làm việc của tủ (Dòng khí cửa trước – Inflow).
- Hệ thống khí lọc qua HEPA thổi đứng xuống (dòng thổi xuống – Downflow) đóng vai trò là một lớp bọc vô trùng để ngăn không cho không khí nhiễm bẩn lọt ra bên ngoài. Downflow được hút xuống khu vực làm việc qua 2 bộ phận, 1 bộ phận cùng với inflow và 1 bộ phận qua ác lỗ thoát ở phía sau tủ an toàn sinh học cấp 2.
- Downflow kết hợp với Inflow sau đó vòng trở lại lên trên để đi qua màng lọc chính. Dòng khí sẽ được tuần hoàn trở lại theo như cách làm việc của hệ thống khí 70% với tủ A1, A2, 30% với tủ B1.
- Dòng khí downflow của tủ an toàn sinh học có độ đồng dạng cao, thường tốc độ giao động không vượt quá 20% tốc độ trung bình
- Hệ thống khí sạch được lọc bởi bộ lọc HEPA sẽ bao phủ mẫu vật và loại bỏ mọi tác nhân có thể gây ảnh hưởng xấu đến mẫu.
- Ngoài ra với tủ có màng lọc HEPA phụ sẽ giúp ngăn ngừa mọi các nhân gây hại phát ra môi trường trong quy trình làm việc.
Hướng dẫn sử dụng BSC Class 2
Hướng dẫn sử dụng tủ an toàn sinh học cấp 2 dưới đây, chúng ta sẽ xác định các bước vận hành tủ, thực hành tốt trong khi vận hành và công việc vệ sinh, khử trùng.
Các bước vận hành tủ an toàn sinh học cấp 2
Bước 1. Chuẩn bị, kiểm tra tủ trước khi sử dụng
- Hiểu rõ quy trình sẽ thực hiện trước khi thao tác.
- Đảm bảo cửa mở tại vị trí vận hành, tắt đèn UV, bật đèn UV, bật quạt hút
- Kiểm tra các khu vực hút khí để đảm bảo không có vật cản
- Vệ sinh tay bằng xà phòng, mặc đồ bảo hộ phòng thí nghiệm.
- Khởi động tủ trong vòng 15 phút trước khi làm việc
Bước 2. Khử khuẩn trước khi vận hành
- Lau sạch khu vực làm việc của tủ bằng canxi hypochlorite hay iodorphor, lau lại bằng cồn 70% (EtOH).
- Thời gian khử khuẩn thường trong vòng 5-10 phút, sau đó để khô tủ.
Bước 3. Đưa các vật tư vào tủ
- Chuẩn bị dung dịch vô trùng, khăn giấy, bông gòn.
- Chỉ đặt những vật tư cần thiết vào trong tủ. Không để những vật tư có kích thước lớn gần nhau.
- Giữ cho các mặt của tủ thông thoáng, không làm cản trở hệ thống khí
- Chờ 2 – 3 phút để tủ ổn định và lọc các tạp chất từ vật tư.

Bước 4. Kỹ thuật thao tác
- Tất cả các mẫu vật cần giữ khoảng cách với cửa kính (mặt trước) ít nhất 10 cm.
- Chia các khu vực cho vật tư sạch và vật tư bẩn trong tủ, cần sắp xếp vật tư để giảm tối đa sự di chuyển của các vật tư nhiễm bẩn sang khu vực đặt các vật tư sạch.
- Các vật tư nhiễm bẩn hoặc được loại bỏ sẽ được đặt ở phía trong tủ
- Hạn chế hết mức có thể việc di chuyển các vật tư cũng như di chuyển tay khỏi cửa làm việc. Nếu có cần phải làm một cách chậm rãi và cẩn thận.
- Các thiết bị tạo ra ngọn lửa trong tủ an toàn sinh học cấp 2 đều không được sử dụng.
- Tránh sử dụng những kỹ thuật gây ảnh hưởng tới dòng khí trong tủ.
- Trong trường hợp có sự cố tràn hoặc rơi vỡ trong quá trình làm việc cần phải nhanh chóng lau chùi và khử trùng các bề mặt tiếp xúc với mẫu nhiễm để ngăn chặn việc phát tán.
- Không sử dụng những kỹ thuật diệt khuẩn không được khuyến cáo trong tủ.
Bước 5. Lấy vật tư khỏi tủ
- Các vật dụng đã bị ô nhiễm dùng một lần, bao gồm cả găng tay sau khi sử dụng, nên được đặt vào trong hộp kín hay túi hấp tiệt trùng đặt bên trong tủ trước khi lấy ra
- Đậy nắp tất cả các đĩa hoặc vật chứa trước khi lấy ra khỏi tủ.
- Cần phải khử trùng bề mặt mọi vật tư trước khi lấy ra khỏi tủ
Bước 6. Khử khuẩn sau khi sử dụng
- Vệ sinh các bề mặt trong tủ bằng chất khử trùng theo quy định, sau đó lau lại bằng cồn 70% để ngăn hư hại INOX.
Bước 7. Tắt tủ
- Tiếp tục cho tủ chạy sau khi đã khử khuẩn xong trong vòng 5 phút để tủ ổn định và loại bỏ các chất nhiễm bẩn còn sót lại.
- Tắt đèn chiếu sáng, quạt hút
- Đóng cửa.
- Chuyển khoá nguồn về vị trí OFF.
Chú ý: Không nên sử dụng đèn UV để thay thế cho các bước tiệt trùng bằng cồn, thời gian chiếu đèn UV chỉ giới hạn trong khoảng 30 – 60 phút.
Thực hành tốt trong quá trình vận hành
Việc vận hành tủ an toàn sinh học cấp 2 phải thực hiện trong không gian hạn chế, ít di chuyển tay và người nên dễ gây mệt mỏi cho người vận hành.
- Khi bắt đầu đưa tay vào tủ, cần giữ nguyên một lúc đảm bảo dòng khí đồng dạng cân bằng trở lại và không khí sạch sẽ loại bỏ các chất bẩn có thể có trên cánh tay và bàn tay.
- Cần hạn chế với tay ra xa bằng cách đặt những vật tư cần sử dụng càng gần khu vực thao tác càng tốt.
- Thực hiện các công việc ở khoảng cách ít nhất 10cm tới vách lưng giúp tối ưu sự lưu thông dòng khí trong tủ
- Giữ tư thế ngồi đúng chuẩn, việc sử dụng loại ghế có điều chỉnh chiều cao sẽ giúp phù hợp với nhiều người vận hành h
- Hạn chế đè tay lên mặt lấy khí phía trước tủ.
- Nếu phải đứng làm việc thì nên sử dụng thảm chân chống mỏi
- Nghỉ ngơi một ít bằng cách đổi tư thế tay
- Giảm mỏi mắt bằng cách lau chùi sạch kính cửa trước khi làm việc.
- Đảm bảo ánh sáng trong tủ đủ độ sáng.
Vệ sinh và khử khuẩn
Vệ sinh
- Sử dụng vải sạch với nước ấm hoặc chất giặt tẩy phù hợp để lau bên trong, bên ngoài tủ.
- Lau khô toàn bộ tủ bằng khăn sạch.
Khử khuẩn
- Sử dụng hoá chất tiệt trùng phù hợp, thường dùng cồn 70%.
- Lau sạch, khô những phần hoá chất sót lại.
Tủ an toàn sinh học cấp 2 là một loại BSC được sử dụng rất nhiều trong các phòng thí nghiệm. Mong rằng qua bài viết này, bạn sẽ sử dụng Tủ BSC Class 2 có hiệu quả cao nhất. Cũng như bạn sẽ lựa chọn được loại tủ phù hợp cho phòng thí nghiệm của mình.
#thietbiphongsachvcr
#viethamcleanroom #VCR #thietbiphongsach
#nhacungcapthietbiphongsach #thietbiphongsachlagi #thietbiphongsachvcr
0 Nhận xét